RENOVMODUL SLIM, REZERVOR WC INCASTRAT PT MONTARE IN ZIDARIE, PT WC SUSPENDAT, 8.66CM, AM1115/1000

Cod produs : AM1115/1000
La comandă

suportul glisant pentru conectorul de evacuare poate fi setat la opt poziții între 0–93 mm

supapă în unghi cu capacitatea de a se conecta la sistemul de conducte Mepla

aceasta solutie tehnica permite fixarea pe o suprafata imperfecta a peretelui,cu o diferenta de planeitate acceptata în intervalul de 50 mm

suport galvanizat cu patru balamale pentru instalare usoara

izolația de polistiren previne formarea condensului pe suprafata rezervorului, amortizeaza vibratiile din rezervor și previne propagarea lor în structura cladirii

acționare dublă, reglabilă independent cu rezervă de apă igienică

intreținere simplă fără scule

alimentarea cu apa prin spate/partea de sus

partea de polistiren detasabila permite accesul facil în timpul instalarii

rezervorul este turnat dintr-o singura bucata (fara îmbinari), asigurand 100% etanseitate

capacul de deschidere de serviciu simplifica asamblarea și împiedica patrunderea umezelii și a impuritatilor

materialul structurii portante: metal galvanizat

Compatibilitate:


recomandat pentru vasele wc suspendate

Tehnic:


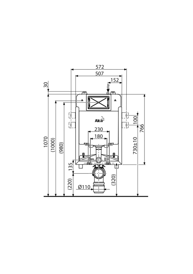
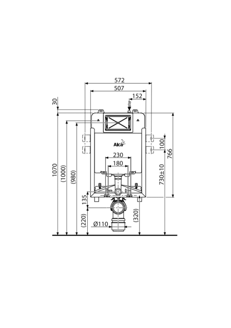
inaltime de montaj 1070 mm

adancime de instalare reglabila 20–60 mm

adancime de instalare 86 mm, cu un cot de evacuare 125 mm

racordare din spate sau de sus prin găurile de montaj ;G1/2 "

presiune apa suportata ;0,05 – 0,8 MPa

presiune apa recomandata ;0,3 – 0,5 MPa

clatire mare ;6 – 9 l

clatire mica ;2,5 – 3,5 l

setare implicita pentru clatire mare ;6 l

setare implicita pentru clatire mica ;3 l

rezerva pentru clatire igienica :3 l

volumul de apa în cisterne ;9 l

test de sarcina ;400 kg

Continutul pachetului:


rezervor cu mecanism de alimentare si de clatire

cadru galvanizat, inclusiv suportul de montaj

conectori de 1/2" pentru robinet coltar Schell 1/2"–3/8"

surub pentru fixare mecanism 2 buc

set de fixare: surub Ø8×60 – 4 buc, dibluri Ø12 – 4 buc

pachet pentru fixarea vas WC: tija filetata M12 – 2 buc, saibe – 4 buc, capac – 2 buc, piulite – 2 buc, protector fir – 2 buc

cot evacuare HT90 / 90/110 polipropilena

garnitura de alimentare + garnitura etansare

garnitura de scurgere + fiting + garnitura pentru fiting

set de capace pentru mascarea/protejarea gaurilor de conectare folosite în timpul instalarii

capacul care protejeaza gura de acces pentru montaj este ajustabil

561.62 RON

Cantitate
Detalii produs
Fără specificații
Imagine Produs